- Snabba leveranser
- Trygga köp
- 14 dagar öppet köp
Produktbeskrivning
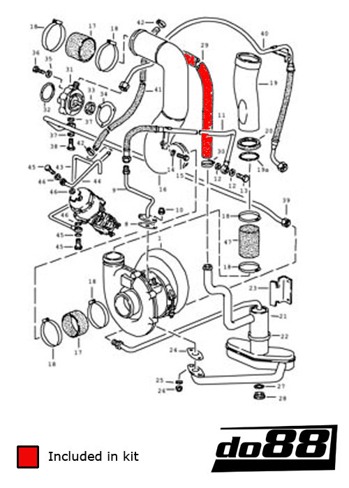
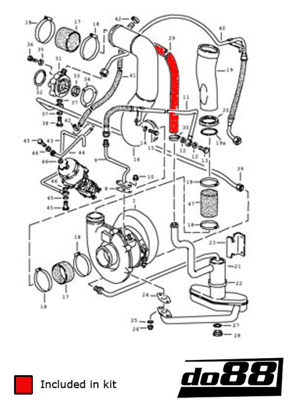
Ett egenutvecklat slangkit från do88 som ersätter originalslangar till vevhusventilationen och oljeseparatorn!
Dessa slangar är uteslutande tillverkade i högkvalitativt silikon för bästa hållbarhet och finish. Med tre till fem lager armering, beroende på slangens innerdiameter, tål slangarna höga tryck och temperaturer över lång tid. Originalet är tillverkat i gummi som inte sällan spricker av uttorkning. Detta är lösningen för dig, som dessutom förhöjer utseendet väsentligt!
I de fall då färgval måste göras, se droplisten ovan för tillgänglighet. Det är ingen prestandaskillnad mellan de olika färgerna.
Paket med passande slangklämmor finns under fliken "Tillbehör", slangklämmepaket do88-kitxxx. Kontrollera att numret på kitet överensstämmer med numret på slangklämmepaketet.
Alla originalartikelnummer är endast angivna som referensnummer.
Passar
Årsmodeller: 1978-1989
Motor: 3.3 Turbo
* De pressade slangklämmorna på dessa två originalslangar behöver kapas och slangkopplingen samt röret måste återanvändas och monteras på silikonslangarna med vanlig slangklämma. Vi rekommenderar att ni köper vårt kit med slangklämmor, där ingår det ni behöver.
OE-ref / Ersätter
Referens: 93010739504, 93010799500
Slang oljeseparator
Referens: 93010739100
Slang oljeseparator
Referens: 93010738904
Slang oljetank *
Referens: 93010738906
Slang oljetank
Referens: 93010723302
Slang oljetank
Referens: 93010739402, 99923600750, 00004320495
Slang vevhusventilation *
Referens: 93010739701



English USA
English Europe

Finnish
Norwegian
German
French

Silikonslang Blå
Silikonslang Svart
Silikonslang Röd
Bränsleslang
Luftslang
Slangkopplingar
Slangklämmor och tillbehör
Skarvhylsor för slang
Svetsnippel Alu
Slanguttag
Plugg
Silikonhattar
Backventil
2mm godstjocklek, Polerade
3mm väggtjocklek
Reducering
Aluminiumplåt
Alpine
Audi
BMW
CUPRA
Ford
Mazda
Opel
Porsche
Saab
Seat
Skoda
Suzuki
TOYOTA
Volvo
VW
Avgasdelar
Värmeskydd
Luftfilter
Intercooler universal
Garrett Intercooler Cellpaket
Dumpventiler / Laddtrycksstyrning
Oljekylare
Dumpventiler / Wastegate, Utförsäljning
Luftfilter, Utförsäljning
Oljekylare, Utförsäljning
Slangklämmor, Utförsäljning
(0 st.)





















